Dimensions du meuble Lazy Susan (avec dessins)

Au fil des ans, les plateaux tournants ont évolué vers une variété de formes, de styles et de matériaux. Ce qui n’était qu’une simple table tournante est maintenant devenu un élément d’organisation monté sur un meuble ou dans un angle mort. Utilisez ce guide pour choisir votre table tournante pour votre cuisine.
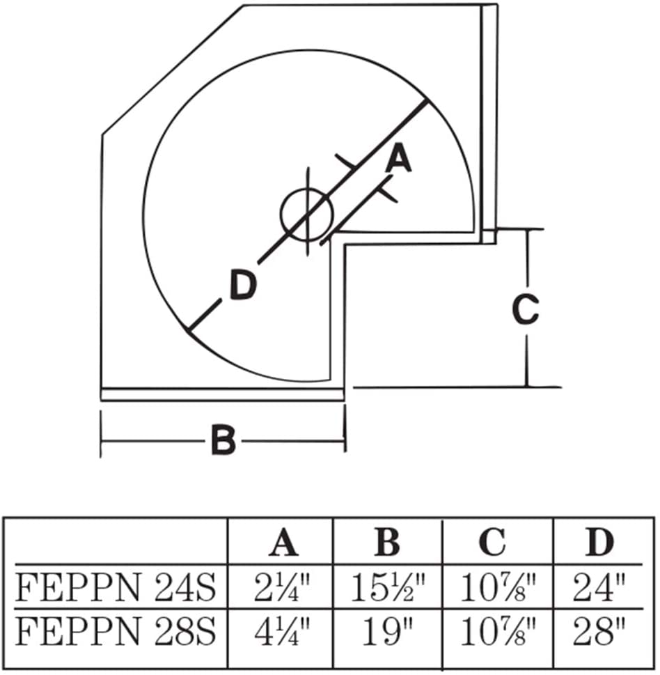
Les tables tournantes existent dans une variété de formes et de tailles et sont disponibles dans des diamètres pairs. Les armoires d’angle de 36 ou 39 pouces utilisent un plateau tournant de 32 pouces, et une armoire d’angle de 33 pouces conviendrait à un plateau tournant de 28 pouces. Les tables de repos en forme de tarte ont généralement un diamètre plus grand pour s’adapter aux armoires d’angle plus profondes de la cuisine.
Qu’est-ce qu’un meuble à plateau tournant ?
Également connu sous le nom de plateau tournant, un lazy susan est une plateforme rotative en forme de plateau. Ils peuvent être placés sur les tables ou les comptoirs pour distribuer la nourriture. Ils peuvent également être placés à l’intérieur des armoires d’angle pour une meilleure organisation et fournir un système de rangement rotatif.
Quelle est la taille moyenne d’un meuble Lazy Susan ?
Les plateaux tournants ont des diamètres pairs. Un meuble d’angle de 36 ou 39 pouces peut accueillir un plateau tournant de 32 pouces. Un meuble d’angle de 33 pouces peut accueillir un plateau tournant de 28 pouces.
Les tables de repos en forme de tarte ont tendance à avoir des diamètres plus grands pour s’adapter à des armoires d’angle plus profondes. Lors de l’achat de la plupart des tables de salon, la hauteur intérieure minimale et maximale du meuble est spécifiée.
Pour décider de la taille de la table de repos dont vous avez besoin pour votre armoire, vous devez mesurer la profondeur intérieure de l’armoire. Mesurez depuis le mur arrière jusqu’à l’intérieur du cadre de la porte. Ensuite, mesurez la largeur intérieure de l’armoire de gauche à droite.
Soustrayez 2 à 4 pouces de la plus petite des mesures. Il s’agit du dégagement autour de l’étagère. Le résultat sera le diamètre de la plus grande tablette qui peut entrer dans l’armoire.
Quels sont les types de tables gigognes ?
Il existe cinq types standard de tables de repos. Les caractéristiques de chacun d’entre eux varient, vous devez donc déterminer celui qui conviendra le mieux à votre meuble.
Plateau tournant en forme de D
Un plateau tournant en forme de D est conçu pour les armoires standard et les armoires d’angle avec une porte à angle de 45 degrés. La plupart des tables de travail en forme de D comportent trois à cinq étagères avec des plateaux fixes ou rotatifs. Avant d’acheter ce meuble, vous devez déterminer la largeur minimale de l’armoire pour vous assurer que le meuble s’adaptera.
Mesurez de gauche à droite dans le cadre de la façade et la hauteur de haut en bas. Soustrayez 2 à 3 pouces de chaque côté pour permettre à votre table de salon de tourner confortablement. Un plateau tournant en forme de D de 22 pouces peut s’adapter à des armoires de 24 pouces.
Plateau tournant rond
Les plateaux tournants sont les plus polyvalents parmi les options de plateaux tournants. Les plateaux circulaires de cette table tournante n’ont pas de découpe pour les portes d’armoire et ne se fixent pas aux portes d’armoire. Les plateaux ronds s’adaptent à la plupart des armoires standard et d’angle, en position haute ou basse.
Les tables de travail rondes sont également disponibles dans des ensembles d’étagères de garde-manger et comportent jusqu’à cinq étagères. Elles peuvent occuper des ouvertures jusqu’à 62 pouces de hauteur à l’intérieur de l’armoire.
Plateau tournant en forme de rein
Les tables tournantes en forme de rein s’adaptent bien aux armoires d’angle dotées de doubles portes pliantes non fixées et d’étagères pivotantes. Vous pouvez monter les tables de repos en forme de haricot à l’intérieur des armoires après les avoir installées.
Pour vous assurer que votre table d’appoint s’adaptera, mesurez à partir de l’encastrement du coin jusqu’au mur arrière. Mesurez ensuite le côté le plus large, de gauche à droite. La plupart des armoires sont équipées d’un axe de verrouillage qui permet de régler la hauteur de l’armoire si nécessaire.
Plateau tournant demi-rond
Un plateau tournant demi-rond est monté directement sur la porte de l’armoire et pivote lorsqu’il est ouvert. Cela permet d’accéder à une armoire d’angle aveugle. Lorsque les étagères pivotent, tous les articles situés à l’arrière sont ramenés à l’avant de l’armoire, à portée de main.
Les glissières à roulement à billes permettent aux étagères de sortir en douceur lorsque la porte est ouverte. Les tablettes demi-rondes s’adaptent à des ouvertures d’armoire de 12 à 19,5 pouces.
Pour s’assurer que le plateau tournant demi-rond s’adapte, l’ouverture du meuble ne doit pas être inférieure à la largeur du plateau tournant. De plus, l’ouverture du meuble ne doit pas être plus courte que les dimensions du susan, de l’avant à l’arrière.
Plateau tournant en forme de tarte
Les tables de repos en forme de tarte ont une forme similaire et sont souvent confondues avec les tables de repos en forme de haricot. Bien que la forme primaire soit la même, la différence réside dans le fait que les tables de repos en forme de tarte ont un coin intérieur carré. Les portes d’armoire peuvent être fixées directement sur le meuble et former un angle de 90 degrés.
Étant donné que les portes sont fixées au plateau tournant, elles doivent être conçues comme des portes rentrantes. Cela permettra aux portes de pivoter dans l’ouverture du meuble. N’oubliez pas que le plus grand susan tournant a un diamètre de 28 pouces, ce qui ne permet pas toujours d’optimiser l’utilisation de l’espace.
Matériaux du plateau tournant
En plus des nombreux styles différents de tables de repos, il existe également différents types de matériaux. Les trois matériaux que vous pouvez choisir sont le bois, le polymère et le fil métallique.
Plateau tournant en bois
Les tables roulantes en bois ont gagné en popularité au fil du temps en raison de leur capacité à s’harmoniser avec l’intérieur en bois des armoires. La plupart des tables roulantes en bois sont en contreplaqué de bouleau ou d’érable.
Les tables de salon en bois peuvent également être en bois massif pour réduire les risques de déformation. Les bords de l’étagère du susan sont ensuite enveloppés d’un contreplaqué assorti d’environ 1 pouce de hauteur. Cela permet d’éviter que les objets ne tombent du susan pendant la rotation.
Plateau tournant en polymère
Un plateau tournant en polymère ou en plastique moulé est le type de matériau le plus courant et est disponible en plusieurs couleurs différentes. Ces tables sont dotées de nervures et d’une surface texturée pour plus de solidité et un effet antidérapant. Les tables de repos en polymère sont économiques, durables et lavables.
Plateau tournant en fil métallique
Les tables de repos en fil métallique sont faites de métal soudé de forte épaisseur. Après l’assemblage, la peinture époxy peut recouvrir le fil métallique pour un aspect propre. Ces poutres sont parfaites pour les cuisines au design plus moderne.
Tables tournantes Lazy Susan
Avant les armoires à plateau tournant, il y avait les plateaux tournants à plateau tournant. Elles sont encore utilisées aujourd’hui sur les comptoirs et les tables pour faire circuler la nourriture ou organiser différents objets. Avant d’acheter une table tournante, vous devez déterminer la taille et la forme dont vous avez besoin.
La largeur et la forme sont des facteurs importants pour décider de la taille de votre table tournante. Vous trouverez ci-dessous des lignes directrices pour estimer la meilleure taille de table tournante pour votre table ou votre comptoir.
En plus de ces directives générales, il y a également d’autres considérations à garder à l’esprit :
- La disposition des couverts pour votre table.
- La taille globale de votre service de table. N’oubliez pas d’inclure les verres, les chargeurs, etc.
- L’étendue de la portée. L’adulte moyen qui mesure 5 pieds 8 pouces peut atteindre jusqu’à 20 pouces en position assise. Idéalement, vous voulez que la portée ne soit pas supérieure à 18 pouces.
- Si vous servez de grands plats, un plateau tournant de 24 pouces est la taille minimale pour un repas pour cinq personnes. Pour les fêtes ou les grands dîners, un plateau tournant de 30 à 32 pouces est la taille minimale dont vous aurez besoin.
Quelles sont les alternatives au plateau tournant ?
Certaines personnes n’aiment pas les lazy susans pour diverses raisons. Certains disent qu’il a des défauts fonctionnels comme le manque d’accessibilité, ou que cette rotation est ennuyeuse. D’autres disent que les lazy susans n’offrent pas le rangement dont ils ont besoin dans leur cuisine.
Si un susan paresseux n’est pas pour vous, considérez ces alternatives de susan paresseux.
Étagères à hauteur réglable
Les étagères à hauteur réglable sont une alternative simple et efficace au plateau tournant. La plupart des meubles d’angle sont équipés d’une étagère standard, mais il est facile d’en ajouter. Bien que cette solution ne convienne pas à tout le monde, elle peut contribuer à éliminer certains de vos problèmes de rangement.
Tiroirs d’angle
Bien que les tiroirs d’angle soient l’option la plus coûteuse, ils constituent la solution la plus ergonomique pour vos besoins de rangement d’armoire d’angle. Vous ne pouvez pas ajouter de tiroirs d’angle à une cuisine existante, vous devez donc en tenir compte lors de la planification. De plus, les tiroirs d’angle nécessitent un grand espace au sol et un grand dégagement à l’ouverture, alors gardez cela à l’esprit lorsque vous rénovez votre cuisine.
Questions connexes
Combien coûte l’installation d’un meuble de type lazy susan ?
Une armoire de type » lazy susan » est considérée comme une armoire spécialisée ou utilitaire. Ces armoires font généralement partie d’un projet d’armoires sur mesure. Lorsque vous installez des armoires spécialisées, attendez-vous à payer de 350 $ à 1 000 $ par armoire, selon le style et la méthode d’installation.
Si votre cuisine comprend déjà l’espace nécessaire pour des armoires d’angle, vous ne paierez peut-être pas autant qu’une installation sur mesure. Vous devrez acheter une armoire d’angle avec un plateau tournant déjà installé. Ces armoires peuvent coûter de 300 $ à 850 $ par armoire installée, selon le matériau et la taille.
Comment réparer un plateau tournant qui a cessé de tourner ?
Lorsqu’un lazy susan s’arrête de tourner ou devient difficile à faire tourner, vous pouvez facilement le régler en utilisant des outils à la maison. Cela est généralement dû à l’arbre central ou à la position du plateau inférieur du susan paresseux. Avant de commencer la réparation, faites tourner légèrement le susan paresseux et notez l’endroit où il a des difficultés.
Localisez le boulon de verrouillage au sommet de l’arbre central et desserrez le boulon. Lorsque le boulon est desserré, déplacez la tige de réglage pour obtenir un meilleur dégagement entre l’arbre central et le haut de l’armoire. Terminez la réparation en serrant le boulon, mais ne le serrez pas trop.
Publié récemment
Mots clés: #Dimensions #meuble #Lazy #Susan #avec #dessins,#Québec, #Canada











